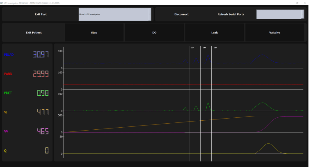
The image below displays the software used for recording, analysis, and reporting UDS investigations. The software can also be used to assess the system’s hardware performance (Uroflowmetry assessment, Pressure channel Assessment, and Fluid infusion assessment).
Hardware Control
Arduino scripts have been written to control the hardware. The first set of scripts control the hardware to allow pre-investigation system tests to be performed. The main control script is used to control the hardware during clinical investigations.
Steps to implement the hardware control scripts:
- Manufacture the hardware system
- Download the Arduino IDE
- Visit Software | Arduino
- Download VS Code VS Code
- Install the PlatformIO extension for VS Code
- Download the UDSWB Scripts
- Upload script to UDS hardware
Once the control software has been loaded to the hardware the PlatformIO serial monitor to check that measurements are being send from the hardware.
User Interface

Visit the user interface software repository to see the source code. To use the UI software:
- Download the UDSWB Microsoft windows installer
- Run UDSWB Installer
Test the software using simulated data
- Load a simulation script on to the arduino
- The other hardware does not need to be connected
- Open the software
- Select the investigation setting that corresponds to the simulation script
- Select the correct serial port and connect